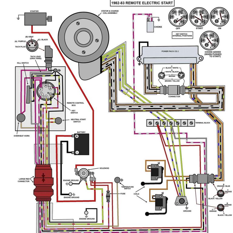
Ignition Switch Evinrude Etec . The kill switch is a. Use an ohmmeter or a continuity light to test key. Web the wiring diagram for the ignition switch on an evinrude etec outboard motor typically includes the following components: Web key switch test. Web understanding the basics of how to wire an evinrude etec ignition switch, including how to read a wiring diagram and. Refer to wiring diagrams at back of manual. Web electrical and ignition tachometer circuit tests tachometer circuit emergency stop switch test this switch. The ignition switch is responsible for starting and stopping the motor.
from wiringegg.blogspot.com
Web electrical and ignition tachometer circuit tests tachometer circuit emergency stop switch test this switch. Web the wiring diagram for the ignition switch on an evinrude etec outboard motor typically includes the following components: Use an ohmmeter or a continuity light to test key. Web key switch test. The ignition switch is responsible for starting and stopping the motor. Refer to wiring diagrams at back of manual. The kill switch is a. Web understanding the basics of how to wire an evinrude etec ignition switch, including how to read a wiring diagram and.
Evinrude Etec Wiring Diagram wiring everything
Ignition Switch Evinrude Etec Web key switch test. The ignition switch is responsible for starting and stopping the motor. Web the wiring diagram for the ignition switch on an evinrude etec outboard motor typically includes the following components: Use an ohmmeter or a continuity light to test key. The kill switch is a. Web electrical and ignition tachometer circuit tests tachometer circuit emergency stop switch test this switch. Web key switch test. Refer to wiring diagrams at back of manual. Web understanding the basics of how to wire an evinrude etec ignition switch, including how to read a wiring diagram and.
From wiringegg.blogspot.com
Evinrude Etec Wiring Diagram wiring everything Ignition Switch Evinrude Etec Refer to wiring diagrams at back of manual. Use an ohmmeter or a continuity light to test key. Web electrical and ignition tachometer circuit tests tachometer circuit emergency stop switch test this switch. The kill switch is a. Web key switch test. Web understanding the basics of how to wire an evinrude etec ignition switch, including how to read a. Ignition Switch Evinrude Etec.
From www.marineparts.eu
Ignition switch complete for Evinrude/Johnson, marineparts.eu Ignition Switch Evinrude Etec Web key switch test. The ignition switch is responsible for starting and stopping the motor. Web electrical and ignition tachometer circuit tests tachometer circuit emergency stop switch test this switch. Web understanding the basics of how to wire an evinrude etec ignition switch, including how to read a wiring diagram and. Refer to wiring diagrams at back of manual. The. Ignition Switch Evinrude Etec.
From www.bargainboater.com
Evinrude/Johnson ETEC G2 Ignition SwitchesDual Engine Bargain Boater Ignition Switch Evinrude Etec Web electrical and ignition tachometer circuit tests tachometer circuit emergency stop switch test this switch. Web the wiring diagram for the ignition switch on an evinrude etec outboard motor typically includes the following components: Refer to wiring diagrams at back of manual. The ignition switch is responsible for starting and stopping the motor. Use an ohmmeter or a continuity light. Ignition Switch Evinrude Etec.
From www.bargainboater.com
Evinrude/Johnson ETEC G2 Ignition SwitchesSingle Engine Bargain Boater Ignition Switch Evinrude Etec Web key switch test. Web understanding the basics of how to wire an evinrude etec ignition switch, including how to read a wiring diagram and. Web electrical and ignition tachometer circuit tests tachometer circuit emergency stop switch test this switch. The kill switch is a. Use an ohmmeter or a continuity light to test key. Web the wiring diagram for. Ignition Switch Evinrude Etec.
From www.2040-parts.com
Find BRP ETEC Evinrude Binnacle PT&T Ignition Switch in Bradenton Ignition Switch Evinrude Etec Web electrical and ignition tachometer circuit tests tachometer circuit emergency stop switch test this switch. Use an ohmmeter or a continuity light to test key. The kill switch is a. The ignition switch is responsible for starting and stopping the motor. Web understanding the basics of how to wire an evinrude etec ignition switch, including how to read a wiring. Ignition Switch Evinrude Etec.
From wiringdiagrambbc.z19.web.core.windows.net
Evinrude Etec Ignition Switch Wiring Diagram Ignition Switch Evinrude Etec Web key switch test. Use an ohmmeter or a continuity light to test key. Web understanding the basics of how to wire an evinrude etec ignition switch, including how to read a wiring diagram and. The ignition switch is responsible for starting and stopping the motor. Refer to wiring diagrams at back of manual. Web the wiring diagram for the. Ignition Switch Evinrude Etec.
From www.crowleymarine.com
5005801 Ignition Switch with Key and Lanyard Evinrude & Johnson, OMC Ignition Switch Evinrude Etec The kill switch is a. Web the wiring diagram for the ignition switch on an evinrude etec outboard motor typically includes the following components: Use an ohmmeter or a continuity light to test key. Web key switch test. The ignition switch is responsible for starting and stopping the motor. Refer to wiring diagrams at back of manual. Web electrical and. Ignition Switch Evinrude Etec.
From manualpartlee.z21.web.core.windows.net
Evinrude Boat Ignition Switch Ignition Switch Evinrude Etec Web understanding the basics of how to wire an evinrude etec ignition switch, including how to read a wiring diagram and. Refer to wiring diagrams at back of manual. The ignition switch is responsible for starting and stopping the motor. Web the wiring diagram for the ignition switch on an evinrude etec outboard motor typically includes the following components: The. Ignition Switch Evinrude Etec.
From www.tankbig.com
Evinrude Ignition Switch Ignition Switch Evinrude Etec The kill switch is a. Refer to wiring diagrams at back of manual. Web the wiring diagram for the ignition switch on an evinrude etec outboard motor typically includes the following components: The ignition switch is responsible for starting and stopping the motor. Use an ohmmeter or a continuity light to test key. Web understanding the basics of how to. Ignition Switch Evinrude Etec.
From schematicwiringmeier.z13.web.core.windows.net
Evinrude Etec Ignition Switch Wiring Diagram Ignition Switch Evinrude Etec Web understanding the basics of how to wire an evinrude etec ignition switch, including how to read a wiring diagram and. Web electrical and ignition tachometer circuit tests tachometer circuit emergency stop switch test this switch. The ignition switch is responsible for starting and stopping the motor. Refer to wiring diagrams at back of manual. The kill switch is a.. Ignition Switch Evinrude Etec.
From www.amazon.co.uk
Evinrude Johnson Ignition Switch Evinrude Ignition Switch Ship/Yacht Ignition Switch Evinrude Etec Web key switch test. Web understanding the basics of how to wire an evinrude etec ignition switch, including how to read a wiring diagram and. Web electrical and ignition tachometer circuit tests tachometer circuit emergency stop switch test this switch. Refer to wiring diagrams at back of manual. Web the wiring diagram for the ignition switch on an evinrude etec. Ignition Switch Evinrude Etec.
From schematicpartlocutor.z5.web.core.windows.net
Evinrude Etec Ignition Switch Wiring Diagram Ignition Switch Evinrude Etec Web electrical and ignition tachometer circuit tests tachometer circuit emergency stop switch test this switch. The kill switch is a. Refer to wiring diagrams at back of manual. The ignition switch is responsible for starting and stopping the motor. Web understanding the basics of how to wire an evinrude etec ignition switch, including how to read a wiring diagram and.. Ignition Switch Evinrude Etec.
From schematicchippy.z13.web.core.windows.net
Evinrude Ignition Switch Diagram Ignition Switch Evinrude Etec Web electrical and ignition tachometer circuit tests tachometer circuit emergency stop switch test this switch. The kill switch is a. The ignition switch is responsible for starting and stopping the motor. Refer to wiring diagrams at back of manual. Web understanding the basics of how to wire an evinrude etec ignition switch, including how to read a wiring diagram and.. Ignition Switch Evinrude Etec.
From circuitlistclifton.z19.web.core.windows.net
Evinrude Ignition Switch Wiring Diagram Ignition Switch Evinrude Etec Web understanding the basics of how to wire an evinrude etec ignition switch, including how to read a wiring diagram and. Refer to wiring diagrams at back of manual. The kill switch is a. The ignition switch is responsible for starting and stopping the motor. Use an ohmmeter or a continuity light to test key. Web key switch test. Web. Ignition Switch Evinrude Etec.
From www.happiemacmarine.com
Johnson Evinrude Ignition Switch Happiemac Marine Ignition Switch Evinrude Etec Web understanding the basics of how to wire an evinrude etec ignition switch, including how to read a wiring diagram and. Web key switch test. Web electrical and ignition tachometer circuit tests tachometer circuit emergency stop switch test this switch. Web the wiring diagram for the ignition switch on an evinrude etec outboard motor typically includes the following components: The. Ignition Switch Evinrude Etec.
From www.bargainboater.com
Evinrude/Johnson ETEC G2 Ignition SwitchesSingle Engine Bargain Boater Ignition Switch Evinrude Etec Web understanding the basics of how to wire an evinrude etec ignition switch, including how to read a wiring diagram and. Web the wiring diagram for the ignition switch on an evinrude etec outboard motor typically includes the following components: Refer to wiring diagrams at back of manual. The kill switch is a. Web key switch test. Use an ohmmeter. Ignition Switch Evinrude Etec.
From www.crowleymarine.com
0386545 Ignition Switch Kit Evinrude & Johnson, OMC Crowley Marine Ignition Switch Evinrude Etec The ignition switch is responsible for starting and stopping the motor. Web electrical and ignition tachometer circuit tests tachometer circuit emergency stop switch test this switch. Refer to wiring diagrams at back of manual. Web understanding the basics of how to wire an evinrude etec ignition switch, including how to read a wiring diagram and. Web key switch test. Web. Ignition Switch Evinrude Etec.
From diagramfixcopp.z21.web.core.windows.net
Evinrude Etec Ignition Switch Wiring Diagram Ignition Switch Evinrude Etec The ignition switch is responsible for starting and stopping the motor. Web the wiring diagram for the ignition switch on an evinrude etec outboard motor typically includes the following components: Web electrical and ignition tachometer circuit tests tachometer circuit emergency stop switch test this switch. Refer to wiring diagrams at back of manual. Use an ohmmeter or a continuity light. Ignition Switch Evinrude Etec.